选择题
1.为了防止铸件过程中浇不足以及冷隔等缺陷产生,可以采用的工程措施有( )。
A.减弱铸型的冷却能力; B.增加铸型的直浇口高度;
C.提高合金的浇注温度; D.A、B和C; E.A和C。
2.顺序凝固和同时凝固均有各自的优缺点。为保证铸件质量,通常顺序凝固适合于( ),而同时凝固适合于( )。
A.吸气倾向大的铸造合金; B.产生变形和裂纹倾向大的铸造合金;
C.流动性差的铸造合金; D.产生缩孔倾向大的铸造合金。
3.铸造应力过大将导致铸件产生变形或裂纹。消除铸件中残余应力的方法是( );消除铸件中机械应力的方法是( )。
A.采用同时凝固原则; B.提高型、芯砂的退让性;
C.及时落砂; D.时效处理。
4.合金的铸造性能主要是指合金的( )和( )。
A.充型能力; B.流动性; C.收缩;
D.缩孔倾向; E.应力大小; F.裂纹倾向。
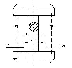
6.如图2-2所示应力框铸件。浇注并冷却到室温后,各杆的应力状态为( )。若用钢锯沿A-A线将φ30杆锯断,此时断口间隙将( )。断口间隙变化的原因是各杆的应力( ),导致φ30杆( ),φ10杆( )。

图2-2
A.增大; B.减小; C.消失; D.伸长; E.缩短;F.不变;
G.φ30杆受压,φ10杆受拉; H.φ30杆受拉,φ10杆受压。
7.常温下落砂之前,在下图所示的套筒铸件中( )。常温下落砂以后,在该铸件中( )。

A.不存在铸造应力;
B.只存在拉应力;
C.存在残余热应力;
D.只存在压应力;
E.存在机械应力;
F.C和E。
8.铸铁生产中,为了获得珠光体灰口铸铁,可以采用的方法有( )。
A.孕育处理; B.适当降低碳、硅含量;
C.适当提高冷却速度; D.A、B和C; E.A和C。
9.HTl00、KTH300-06、QT400-18的力学性能各不相同,主要原因是它们的( )不同。
A.基体组织; B.碳的存在形式; C.石墨形态; D.铸造性能。
10.灰口铸铁(HT)、球墨铸铁(QT)、铸钢(ZG)三者铸造性能的优劣顺序( );塑性的高低顺序为( )。
A.ZG>QT>HT; B.HT>QT>ZG;
C.HT>ZG>QT; D.QT>ZG>HT。
(注:符号“>”表示“优于”或“高于”;)